DS-21C時間繼電器接線圖及額定電壓-上海上繼科技有限公司
發表時間:2019-07-12 16:56 瀏覽次數:897 〖返回〗
一、DS-21C時間繼電器主要技術數據

二、DS-21C時間繼電器接線圖

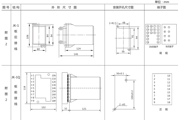
三、DS-21C時間繼電器外形及開孔尺寸

四、DS-21C時間繼電器應用范圍
該系列時間繼電器用于各種保護和自動控制線路中,使被控制元件的動作得到可調延時。繼電器具有一付瞬時轉換觸點和一付延時動合主觸點,對于DS-114、115、 116、 124、 125、 126型繼電器多-付延時滑動主觸點。型號末端帶"C"型屬長期工作,其線圈能長期耐受110%額定電壓(電壓應加在端子①、⑦上) ,其它型的繼電器線圈耐受110%額定電壓歷時2min。
五、DS-21C時間繼電器外附電阻對照表

上海上繼科技有限公司(專注時間繼電器生產廠家)銷售熱線:021-57233089 QQ:1932551438
(以上內容僅供參考,上海上繼科技有限公司有最終解釋權}
更多繼電器精彩文章→SS-23時間繼電器開孔尺寸及應用范圍





