SS-23時間繼電器開孔尺寸及應用范圍-上海上繼科技有限公司
發表時間:2019-07-10 17:28 瀏覽次數:848 〖返回〗
一、SS-23時間繼電器應用范圍
SS-23時間繼電器作為輔助元件用于各種保護及自動控制電路中 , 使被控制的元件得到所需的延時。
二、SS-23時間繼電器主要技術參數
·觸點形式: 1副瞬動轉換; 2副延時動合觸點。
·動作值:不大于70%額定值。
·返回值:不小于5%額定值
·整定誤差:不大于±0.5%**整定值。
·延時一致性:不大于0.2%**整定值。
·功率消耗:不大于6.6W。
·觸點容量:在電壓不超過250V,電流不超過5A,時間常數為5±0.75ms的直流有感負荷電路中,產品輸出觸點的斷開容量為50W。輸出觸點在上述規定的負荷條件下,產品能可靠動作及返回5x104次。輸出觸點長期允許接通電流為5A。
·介質強度:產品各導電端子連在一起,對外露的非帶電金屬部分或外殼之間,能承受2000V(有效值)50Hz的交流電壓歷時1分鐘試驗而無絕緣擊穿或閃絡現象。

三、SS-23時間繼電器接線圖

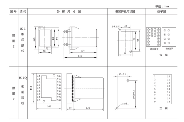
三、SS-23時間繼電器外形及開孔尺寸

四、SS-23時間繼電器工作原理
在交流電路中常采用空氣阻尼型時間繼電器,它是利用空氣通過小孔節流的原理來獲得延時動作的。它由電磁系統、延時機構和觸點三部分組成。
時間繼電器可分為通電延時型和斷電延時型兩種類型。
空氣阻尼型時間繼電器的延時范圍大(有0.4~60s和0.4~180s兩種) ,它結構簡單,但準確度較低。
當線圈通電(電壓規格有ac380v、ac220v或dc220v、dc24v等)時,銜鐵及托板被鐵心吸引而瞬時下移,使瞬時動作觸點接通或斷開。但是活塞桿和杠桿不能同時跟著銜鐵一起下落,因為活塞桿的上端連著氣室中的橡皮膜,當活塞桿在釋放彈簧的作用下開始向下運動時,橡皮膜隨之向下凹, 上面空氣室的空氣變得稀薄而使活塞桿受到阻尼作用而緩慢下降。經過一定時間,活塞桿下降到一定位置,便通過杠桿推動延時觸點動作,使動斷觸點斷開,動合觸點閉合。從線圈通電到延時觸點完成動作,這段時間就是繼電器的延時時間。延時時間的長短可以用螺釘調節空氣室進氣孔的大小來改變。吸引線圈斷電后,繼電器依靠恢復彈簧的作用而復原。空氣經出氣孔被迅速排出。
五、SS-23時間繼電器概述
時間繼電器(time relay)是一種利用電磁原理或機械原理實現延時控制的自動開關裝置。當加入(或去掉)輸入的動作信號后,其輸出電路需經過規定的準確時間才產生跳躍式變化(或觸頭動作)的一種繼電器。是一種使用在較低的電壓或較小電流的電路上,用來接通或切斷較高電壓、較大電流的電路的電氣元件。同時,時間繼電器也是一種利用電磁原理或機械原理實現延時控制的控制電器。它的種類很多,有空氣阻尼型、電動型和電子型等。
上海上繼科技有限公司(專注時間繼電器生產廠家)銷售熱線:021-57233089 QQ:1932551438
(以上內容僅供參考,上海上繼科技有限公司有最終解釋權}
更多繼電器精彩文章→DX-33/4信號繼電器原理及技術數據
- 上一篇:JX-A/3信號繼電器特點及開孔尺寸
- 下一篇:JX-A/2A信號繼電器參數及接線圖





