信號、閃光繼電器系列
您現在的位置:首頁 >> 我們的產品 >> 繼電器 >> 信號、閃光繼電器系列
DX-4A信號繼電器應用范圍
DX-4A信號繼電器使用于電力系統二次回路的繼電保護線路中,作為動作指示信號用。
DX-4A信號繼電器型號含義

DX-4A信號繼電器主要技術數據
●工作繞組額定值:DC 6V、12V、24V、48V、110V、220V、0.0lA、0.015A、0.02A、0.025A、0.03A、0.04A、 0.05A、 0.075A、0.08A、0.1A、0.15A、0.2A、0.25A、0.5A、0.75A、lA、2A、4A、0.06A。
●復歸繞組額定值:6V、12V、24V、48V、110V、220V。
●動作值:動作電壓不大于70%額定值;動作電流不大于90%額定值。
●復歸電壓:不大于70%。
●返回值:不小于2%額定值。
●功率消耗:電壓型不大于2W;電流型不大于0.2W。
●觸點容量:保持觸點在220V,電流不超過lA的直流有感電路中(時間常數為5±0.75ms),分斷容量為50W,瞬時觸點為30W,在220V電流不超過lA的交流電路中分斷容量為200VA。
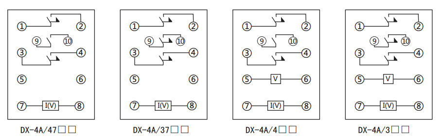
DX-4A信號繼電器內部接線及外引接線圖

DX-4A信號繼電器外形尺寸及開孔尺寸



信號、閃光繼電器系列
打印當前頁
發郵件給我們: 1932551438@qq.com
手機: 18930817953




