DL-32繼電器_DL-32電流繼電器_廠家直銷
產品概述
DL-32電流繼電器用途
DL-32系列電流繼電器,用于電機、變壓器和輸電線的過負荷和短路保護線路中,作為起動元件。
DL-32電流繼電器結構和原理
1.繼電器系電磁式,瞬時動作,磁系統有兩個線圈,線圈出頭接在底座端子上,用戶可以根據需要串并聯,因而可使繼電器整定變化一倍。
2.繼電器**的刻度值及額定值對于電流繼電器是線圈串聯的(以安培為單位)轉動刻度盤上的指針、以改變游絲的反作用力矩,從而可以改變繼電器的動作值。
3.繼電器的動作:電流升至整定值或大于整定值時,繼電器就動作,動合觸點閉合,動斷觸點斷開。當電流降低到0.8倍整定值時,繼電器就返回,動合觸點斷開,動斷觸點閉合。

DL-30系列電流繼電器內部接線圖(背視)
DL-32電流繼電器使用和維護
1.繼電器使用前,需取去外殼,拔出機器,檢查有無在運輸中產生的損壞,如動片碰到磁板,游絲各圈相碰,動牌軸上的摩擦等,為此,將繼電器的指針整定在第一整定點上,用手將可動系統往磁板方向轉動,然后放開,可動系統應當轉回到原來位置直到止檔,然后進行必要的調整和整定。
2.繼電器在重新調整時,必須保證:
1可動系統的軸向活動量在0.15~0.3mm之間。
2動片與磁極間的氣隙,應當保證繼電器在規定的任何工作情況下,動片和磁板不得相碰。
3具有動合觸點和動斷觸點的繼電器,橋形觸點不得同時接觸一動合靜觸點和一動斷靜觸點。
4當指針由第一刻度值旋向最終刻度值時,游絲各圈不相碰。
5繼電器動作時,橋形觸點應當在靜觸點的中心線上滑動(公差±lmm),動、靜觸點總氣隙不小于2mm。
6靜觸點和限制片之間的距離應不大于0.3mm。
7在調整繼電器的動作值時,最小整定值的調整主要是改變游絲反作用力的大小,**整定值的調整,主要是改變動片和磁板間的氣隙等。
8不宜潤滑繼電器軸和軸承。
9不允許用砂紙或其它粗造材料清潔觸點,宜用鋒利的刀刃或清潔的細磨石清潔觸點,然后用清潔的、柔軟的布片擦干凈,避免用手指接觸觸點。
產品參數
DL-32電流繼電器技術數據

2.按整定值的范圍來分:每整定值的動作誤差不大于±6%,見表2。
3.繼電器刻度極限誤差不大于6%。
4.動作值的變差不大于6%

5.對于DL-31、32、33、34電流繼電器的返回系數不小于0.8,**整定電流為200A的不小于0.7。
6.動作時間
6.1在1.1倍動作值時,動作時間不大于0.12s;在2倍動作值,動作時間不大于0.04s。
7.過電流能力:線圈串聯,從整定值均勻地上升至表3中所列的**電流時,繼電器不應有使得動合觸點不工作的振動。經五次后,繼電器仍能滿足本技術條件的要求。
8.過電流:繼電器當加1.75倍整定值或更高時繼電器的動合觸點應無抖動地閉合。


9.當無外來的碰撞和振動時,繼電器的各整定(第一點除外)位置上的工作電流為0.6整定值時,其動斷觸點應可靠地閉合電路。
10.在動作和返回電流下:繼電器的可動系統不應當停滯在中間位置。
11.當周圍空氣的相對濕度不大于85%,繼電器的電路對外殼(外殼上的非導電金屬部分)的絕緣電阻,用500V兆歐表測量應當不小于300MΩ。
12.繼電器的導電部分對外殼(外殼上的非導電金屬部分)的絕緣,能耐受50Hz交流電壓2kV歷時1min的試驗。
13.觸點斷開容量:當電壓不大于250V及電流不大于2A時,觸點的斷開功率,在具有電感負荷的直流電路(時間常數不大于5×10-3s)中為50W,在交流電路中為250VA。
14.功率消耗在最小整定值處,繼電器的線圈所消耗的功率不超過表4的數據。
15.當周圍介質度為+40°C時,繼電器在表2和表3所示的長期允許電流,電壓下長期工作時,不會有絕緣和其他電氣元件的損壞,而線圈的溫升不大于65°C。
16.壽命:繼電器電壽命500次,機械壽命為5000次。

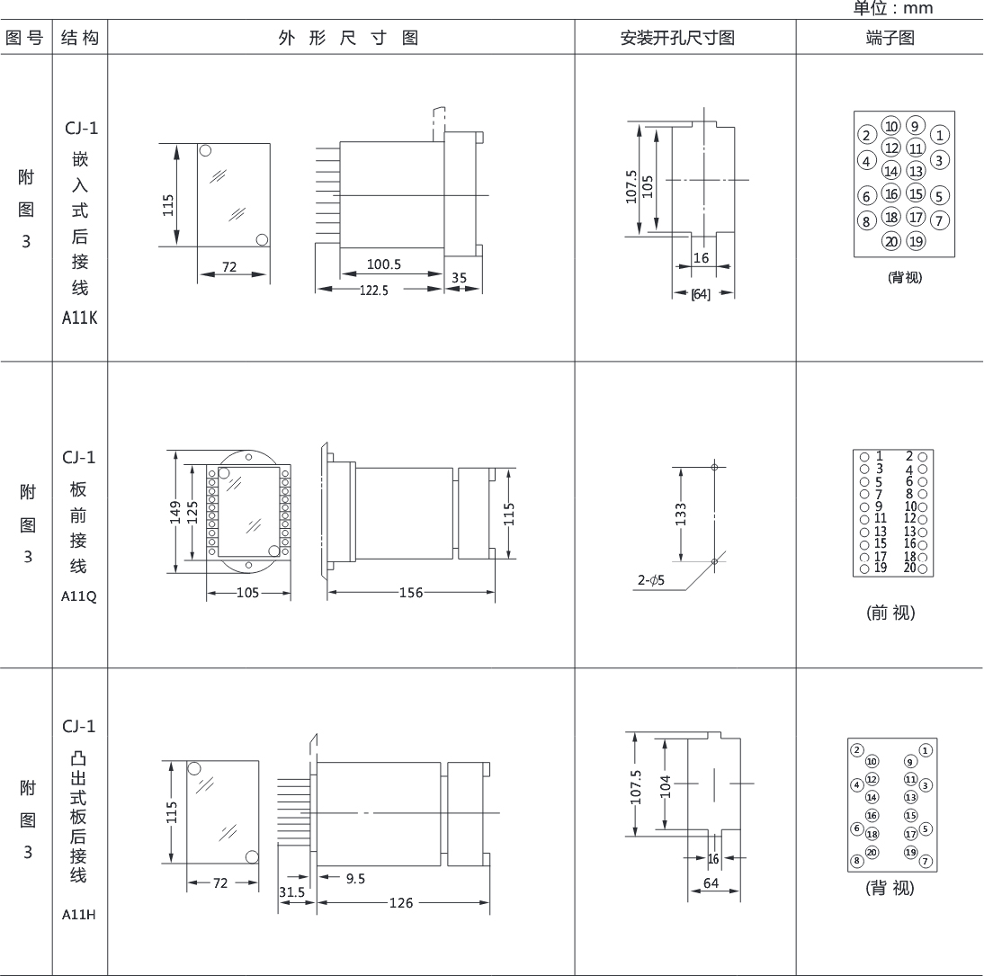
產品尺寸
DL-32電流繼電器外形尺寸圖


