JT-1同步檢查繼電器工作原理及技術條件-上海上繼科技有限公司
發表時間:2019-09-17 09:42 瀏覽次數:1300 〖返回〗
一、JT-1同步檢查繼電器工作原理
JT-1靜態同步檢査繼電器為靜態型瞬動繼電器,工作原理:通過數字電路處理處一個相位差(或電壓差)與設定值相比,達到同步檢査目的。1型為相位檢査型,銘牌上數字設定值(整定值)單位為度。如是二個電壓的相位差或電壓矢量差大于銘牌上的設定值,繼電器瞬時動作。
二、JT-1同步檢查繼電器技術條件
1.整定范圍
純相位監測: 5°-175°
電壓矢量檢査型: 0V~99V
2.觸點容量 250VAC COSCP=1.0 5A
合閘 250VDC 5A
分閘 250VDC T=5mS 50W
3.觸點壽命 電壽命不低于10萬次;機械壽命不低于100萬次。
4.介質強度 繼電器各導電端子連在一起,對外露非帶電部分或外殼之間能承受2000V(有效值) 50Hz的交流電壓歷時1分鐘
試驗而絕緣擊穿或飛弧現象。
5. 絕緣電阻 繼電器各導電端子連在一起,對外露非帶電部分或外殼之間,用開路電壓為500V的、兆歐表測量其絕緣電阻不小于
300M0。
6.工作環境 溫度-10°C~+50°C,相對濕度不大于90% ,海拔高度不大于2000M。
三、JT-1同步檢查繼電器使用方法
本繼電器的輸入電壓的兩個線( U1、 U2都是如此)不能隨意顛倒次序。其原因先說明如下:
以圖二(a)為準,則如U2兩根線顛倒次序的話,曲線將圖二( b)所示。按圖二(a)接線測得為0角的話,則技國二( b)接線就是180°-(1)角了。所以用戶現場接線時,**能找到公共端接在②、⑧腳。若是找不到公共端,則在現場試驗時,先可任意接好,測試繼電器是否能正常動作,若是不能正常動作,將U2的兩根線交換位置即可。

四、JT-1同步檢查繼電器應用范圍
JT-1同步檢查繼電器用于兩端供電線路的自動重合閘線路中,以檢查線路上電壓的存在及線路上和變電站匯流排上電壓向量間的相差角。
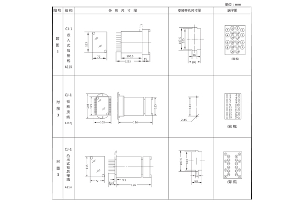
五、JT-1同步檢查繼電器開孔尺寸

公司介紹:上海上繼科技有限公司是一家專業從事電力系統繼電保護及智能電網電力自動化產品的研發、設計、生產、銷售和服務為一體的高科技公司。擁有資深繼電保護專家團隊和國內**的檢測儀器及校驗設備。同時還引用國內外先進技術,來進行技術創新。本公司的產品廣泛用于電力、工礦、鐵路、建筑等國家重大工程輸配變電系統上,產品遠銷東南亞及中東地區。產品通過國家繼電保護及自動化設備質量監督檢驗中心檢測,獲得ISO9001國際質量體系認證。“科技創新,誠信務實”是公司的經營理念,本公司以高超的技術支持和對用戶高度負責的售后服務贏得了輸配電成套企業的信賴,且樹立了良好的信譽。
上海上繼科技有限公司(專注電力保護繼電器生產廠家)銷售熱線:021-57233089 QQ:1932551438
{以上內容僅供參考,上海上繼科技有限公司有最終解釋權}
更多繼電器精彩文章——JY-35B電壓繼電器產品價格及開孔尺寸





