JY-33B電壓繼電器接線圖及開孔尺寸-上海上繼科技有限公司
發表時間:2019-07-27 14:43 瀏覽次數:778 〖返回〗
一、JY-33B電壓繼電器的概述
電壓繼電器是一種電子控制器件,它具有控制系統(又稱輸入回路)和被控制系統(又稱輸出回路),通常應用于自動控制電路中,它實際上是用較小的電流去控制較大電流的一種“自動開關”。故在電路中起著自動調節、安全保護、轉換電路等作用。主要用于發電機、變壓器和輸電線的繼電保護裝置中,作為過電壓保護或低電壓閉鎖的啟動原件。
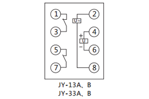
二、JY-33B電壓繼電器的接線圖

三、JY-33B電壓繼電器的調試方法
1. 繼電器在使用前應檢查有無在運輸中產生的損壞,即將繼電器整定在第一整定點上,用手將可動系統往磁極方向轉動,然后放開,可動系統應當轉回到原來位置,直到止擋。
2. 繼電器重新調整時,必須保證:
a. 可動系統的軸向活動量在0.15~0.25mm之間;
b. 動片和磁極間的氣隙應均勻,在任何動作情況下,動片和磁極不應相碰;
c. 在動作過程中,可動系統不得停滯在中間位置;
d. 當指針由第一刻度旋向**刻度時,游絲各圈不得相碰;
e. 當觸點在打開位置時,動靜觸點間總氣隙不小于1.5mm;
f. 靜觸點片和限制片間的間隙為0.1mm~0.3mm。
3. 繼電器最小整定值的調整,主要是改變游絲的反作用力的大小,**整定值的調整主要是改變動片和磁極間的氣隙等。
四、JY-33B電壓繼電器的動作可靠性
a. 在動作電壓或返回電壓下,繼電器動作過程中的可動系統不應停滯在中間位置。
b. 當對線圈突然施加1.75倍的整定電壓激勵量時,其動合觸點應無抖動地閉合。
c. 當無外來碰撞和振動,繼電器的整定值整定在銘牌中部(或大于中部整定值)時,過電壓繼電器激勵量為整定電壓的0.6倍,繼電器的動斷觸點應可靠地閉合,動合觸點應可靠地斷開;低電壓繼電器激勵量不低于整定電壓的1.5倍,繼電器的動斷觸點應可靠地斷開,在0.6倍的整定電壓(或更低)時,繼電器的動斷觸點應可靠地閉合。
五、JY-33B電壓繼電器的開孔尺寸

公司介紹:上海上繼科技有限公司是一家專業從事電力系統繼電保護及智能電網電力自動化產品的研發、設計、生產、銷售和服務為一體的高科技公司。擁有資深繼電保護專家團隊和國內**的檢測儀器及校驗設備。同時還引用國內外先進技術,來進行技術創新。本公司的產品廣泛用于電力、工礦、鐵路、建筑等國家重大工程輸配變電系統上,產品遠銷東南亞及中東地區。產品通過國家繼電保護及自動化設備質量監督檢驗中心檢測,獲得ISO-9001:2000國際質量體系認證。“科技創新,誠信務實”是公司的經營理念,本公司以高超的技術支持和對用戶高度負責的售后服務贏得了輸配電成套企業的信賴,且樹立了良好的信譽。
上海上繼科技有限公司(專注電力保護繼電器生產廠家)銷售熱線:021-57233089 QQ:1932551438
{以上內容僅供參考,上海上繼科技有限公司有最終解釋權}
更多繼電器精彩文章——JY-21B電壓繼電器原理及接線圖
- 上一篇:JY-33A電壓繼電器參數及開孔尺寸
- 下一篇:JY-34A電壓繼電器技術數據及原理





