DJ-131/60CN電壓繼電器安裝尺寸及參數-上海上繼科技有限公司
發表時間:2019-07-20 09:55 瀏覽次數:870 〖返回〗
一、DJ-131/60CN電壓繼電器的應用范圍
DJ-131/60CN電壓繼電器為電磁式瞬動電壓繼電器。廣泛用于電力系統二次回路保護線中,作為低電壓和過電壓保護的啟動元件。
二、DJ-131/60CN電壓繼電器的參數

動作時間:過電壓繼電器在1.1倍實測動作值時,動作時間不大于0.12s;低電壓繼電器在0.5倍實測動作值時,動作時間不大于0.15s;
觸點容量:在電壓不超過250V,電流不超過5A,時間常數為5 ±0.75ms的直流有感負荷電路中,產品輸出觸點的斷開容量為50W。輸 出觸點在上述規定的負荷條件下,產品能可靠動作及返回5×104次。輸出觸點長期允許接通電流為5A。
介質強度:產品各導電端子連在一起,對外露的非帶電金屬部分或外殼之間,能承受2000V(有效值)50Hz交流電壓歷時1分鐘試驗而 無絕緣擊穿或閃絡現象。
三、DJ-131/60CN電壓繼電器的原理
電壓繼電器分為凸出式固定結構,凸出式插拔式結構,嵌入式插拔結構,導軌式結構等,并有透明的塑料外罩(導軌式為全封閉式),用薄碼進行整定。
當被測量的交流電壓經隔離變壓器降壓后得到與被測電壓成正比的電壓Ui,經整定后進行整流,整流后脈沖電壓經濾波器濾波,得到與Ui成正比的直流電壓Uo,在電平檢測中Uo與直流參考電壓Ue進行比較,若直流電壓 Uo 高于參考電壓,電平檢測器輸出正信號,驅動出口繼電器,則本繼電器處于動作狀態。反之,不論是過電壓繼電器或是低電壓繼電器,若直流電壓 Uo 低于參考電壓Ue,電平檢測器輸出負信號,本繼電器處于不動作狀態。
四、DJ-131/60CN電壓繼電器的整定誤差
a、在整定范圍內,整定平均誤差的絕對值不大于3%,平均誤差=(5次測量平均值-整定值)/整定值×100%。
b、在基準條件下,同一整定值上測量的5次動作值的**值和最小值應不大于的4%。
c、在-10℃~50℃的溫度下,任一整定點誤差的絕對值應不大于整定值的4%。
d、在輔助電壓80~110%變化范圍內,任一整定值整定誤差的絕對值應不大于4%。
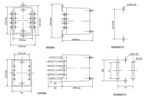
五、DJ-131/60CN電壓繼電器的安裝尺寸

公司介紹:
上海上繼科技有限公司是一家專業從事電力系統繼電保護及智能電網電力自動化產品的研發、設計、生產、銷售和服務為一體的高科技公司。
公司依托國際大都市上海的優越環境,擁有資深繼電保護專家團隊,熟悉中國電網實際運行特點,聯合國內外**高校不斷引進國內外先進技術,積極響應市場的需求,技術不斷創新,堅持行業**地位,主要生產電力繼電器及微機綜合保護裝置,電力智能配電設備,變電站自動化監控系統。產品廣泛用于電力、工礦、鐵路、建筑等國家重大工程輸配變電系統上,產品遠銷東南亞及中東地區。
公司具備國內**的檢測儀器及校驗設備,建立了模擬運行老化系統,以精湛的技術嚴格的生產制造工藝,健全的生產管理體系,精耕細作,精益求精。產品通過國家繼電保護及自動化設備質量監督檢驗中心檢測,獲得ISO-9001:2000國際質量體系認證。
“科技創新,誠信務實”是公司的經營理念,上繼科技以售前技術支持,售后完善服務,在電力系統中樹立了良好的聲譽,深受各大設計院的認可,贏得輸配電成套企業的信賴。上繼科技本著對社會,對用戶高度的責任感,堅持走專業化道路,繼續創新超越,為我國智能電網電力自動化做出更大的貢獻!
上海上繼科技有限公司(專注電力保護繼電器生產廠家)銷售熱線:021-57233089 QQ:1932551438
{以上內容僅供參考,上海上繼科技有限公司有最終解釋權}
更多繼電器精彩文章——DY-23D電壓繼電器參數及開孔尺寸





