JX-4B閃光繼電器參數及開孔尺寸-上海上繼科技有限公司
發表時間:2019-07-06 09:38 瀏覽次數:942 〖返回〗
一、JX-4B閃光繼電器的概述
閃光繼電器也稱閃光器,其作用是產生斷續電流,供給轉向信號燈,使閃光燈發出一明一暗的信號燈光,指示車輛運行的方向。閃光器設計有新型電路,由低電壓開關電路,高電壓開關電路,脈沖發生電路、二極放大雙管輸出電路和兩組燈光指示電路組成。將其裝在閃光器盒體內,通過它的控制能準確地指明汽車行駛方向,特別具備起自動保護作用的特點,在電路發生短路故障時能自動停止閃光器和燈泡工作,駕駛員通過閃光器上裝有的故障指示直觀閃光器工作狀況,能隨時發現和排除故障。閃光器按其結構及工作原理來分有電熱式、電容式和電子式三類。
二、JX-4B閃光繼電器的功能
閃光繼電器是汽車轉向與制動時,發出燈光信號的中心控制部件。當汽車不轉向而制動時,它能控制電路使左、右后燈及拖車燈亮,發出制動信號,當汽車轉向且制動時,它能控制電路使轉向邊前、后、掛車燈發出閃光信號以示轉向,而另一側的后燈和掛車燈只亮不閃,以示制動,當汽車轉向時,它控制電路使轉向側的前、后、掛車燈發出閃光信號,以示轉向。
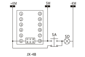
三、JX-4B閃光繼電器的接線圖

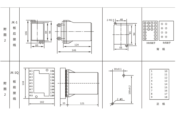
四、JX-4B閃光繼電器的開孔尺寸
JX-4B采用JK-1売體, 如圖所示

公司介紹:上海上繼科技有限公司是一家專業從事電力系統繼電保護及智能電網電力自動化產品的研發、設計、生產、銷售和服務為一體的高科技公司。擁有資深繼電保護專家團隊和國內**的檢測儀器及校驗設備。同時還引用國內外先進技術,來進行技術創新。本公司的產品廣泛用于電力、工礦、鐵路、建筑等國家重大工程輸配變電系統上,產品遠銷東南亞及中東地區。產品通過國家繼電保護及自動化設備質量監督檢驗中心檢測,獲得ISO-9001:2000國際質量體系認證。“科技創新,誠信務實”是公司的經營理念,本公司以高超的技術支持和對用戶高度負責的售后服務贏得了輸配電成套企業的信賴,且樹立了良好的信譽。
上海上繼科技有限公司(專注電力保護繼電器生產廠家)銷售熱線:021-57233089 QQ:1932551438
{以上內容僅供參考,上海上繼科技有限公司有最終解釋權}
更多繼電器精彩文章——JLS-86/440雙位置繼電器參數及接線圖
- 上一篇:JX-4A閃光繼電器參數及接線圖
- 下一篇:JX-4C閃光繼電器接線圖及開孔尺寸





