DZZ-15組合中間繼電器的特點及技術數據-上海上繼科技有限公司
發表時間:2019-06-14 14:08 瀏覽次數:868 〖返回〗
一、DZZ-15組合中間繼電器的特點
1體積小,對安裝地位緊張有限的場合特別適用。
2該繼電器對用戶既提供工業級繼電器的屏面經濟性,還提供保護級繼電器的質量,可靠性和中等(跳閘)容量的能力。
3該繼電器可通過罩殼上的小孔拔動銜鐵以試驗觸點動作情況。
4線圈激勵為直流。
二、DZZ-15組合中間繼電器的技術數據
1動作值:<70%額定電壓。
2返回值: >5%額定電壓。
3動作時間:DZZ-11~15其動合觸點不大于30ms,動斷觸點不大于20ms。 DZZ-11~17延時返回時l間不小于0.8s。
4功耗:不大于1.6W。
5觸點能力與RXMA1型相同。
6絕線耐壓:50Hz、1min、2?。
7沖擊電壓: 5kV。
8該繼電器能承受5-15Hz中等震級的地震波)中擊。
9額定電壓及線圈阻值。

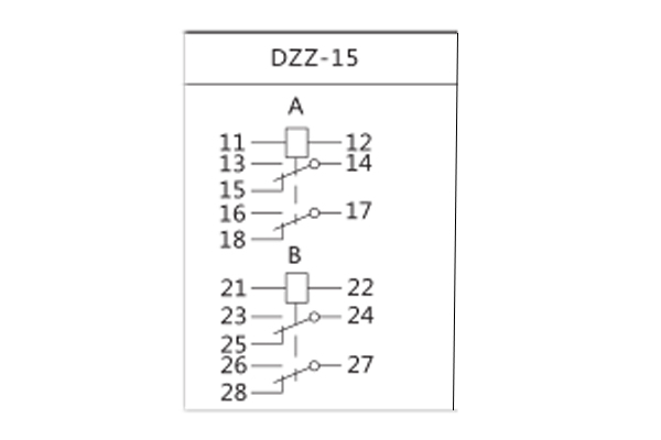
10繼電器觸點形式為

上海上繼科技有限公司(專注電力保護繼電器生產廠家)銷售熱線:021-57233089 QQ:1932551438
{以上內容僅供參考,上海上繼科技有限公司有最終解釋權}
更多繼電器精彩文章——JY-11A靜態電壓繼電器





