時間繼電器的接線方法及接線圖-上海上繼科技有限公司
發表時間:2018-08-16 15:51 瀏覽次數:2003 〖返回〗時間繼電器是電氣控制系統中一個非常重要的元器件,在許多控制系統中,需要使用時間繼電器來實現延時控制。時間繼電器是一種利用電磁原理或機械動作原理來延遲觸頭閉合或分斷的自動控制電器。

時間繼電器的接線方法:
1.控制接線:把它看成直流繼電器來考慮;
2.工作控制:雖然控制電壓接上了,但是是否起控制作用,由面板上的計時器決定;
3.功能理解:它就是一個開關,單刀雙擲的,有一個活動點活動臂,就像常見的閘刀開關的活動刀臂一樣;
4.負載接線:電源的零線或負極接用電器的零線或負極端;
5.工作原理:計時無效期間,相當于平常電燈開關斷開狀態。有效時,繼電器動作,用電器得電工作,相當于平常電燈開關接通狀態。
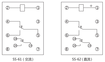
時間繼電器接線圖:

(以上內容部分來自網絡,僅供參考),感謝觀看!
上海上繼科技有限公司(專注電力保護繼電器,微機綜合保護裝置,電力儀表生產廠家)





