電流繼電器與雙位置繼電器特點及性能參數-上海上繼科技有限公司
發表時間:2019-08-19 14:47 瀏覽次數:1022 〖返回〗
上海上繼科技有限公司是一家專業從事電力系統繼電保護及智能電網電力自動化產品的研發、設計、生產、銷售和服務為一體的高科技公司。擁有資深繼電保護專家團隊和國內**的檢測儀器及校驗設備。同時還引用國內外先進技術,來進行技術創新。本公司的產品廣泛用于電力、工礦、鐵路、建筑等國家重大工程輸配變電系統上,產品遠銷東南亞及中東地區。產品通過國家繼電保護及自動化設備質量監督檢驗中心檢測,獲得ISO-9001:2000國際質量體系認證。“科技創新,誠信務實”是公司的經營理念,本公司以高超的技術支持和對用戶高度負責的售后服務贏得了輸配電成套企業的信賴,且樹立了良好的信譽。

一、JL-41電流繼電器概述
JL-41靜態電流繼電器(以下簡稱本繼電器)用于發電機、變壓器和輸電線的過負新口短路保護裝置中作為啟動元件。本繼電器為集成電路靜態型繼電器,精度高、功耗小、動作時間快,返回系數高、 整定直觀方便、范圍寬,提供直流輔助電源后完全可替代電磁型電流繼電器,輔助電源采用開關電源變換,交直流通用,工作范圍大,從100-300V均能可靠工作。
JL-41靜態電流繼電器分為三個系列: JL-10、20、30、分別替代DL-10、 DL-20、 DL-30等系列電磁型電流繼電器。 JL系列靜態電流繼電器采用拔碼開關整定電流値,整定范圍為0.1-99.9A,改變整定値無需校驗,整定范圍寬,有利于用戶壓縮庫存品種。
二、JL-41電流繼電器接線圖

三、JL-41電流繼電器原理
本繼電器為靜態型繼電器,采用進口集成電路構成。被測量的交流電流I~經隔高變流器后,在其次級得到與被測、電流成正比的電壓Ui。 經定值整定后進行整流,整流后的脈沖電壓經濾波器濾波,得到與Ui成正比的直流電壓Uo。在電平檢i測中Uo與直流參考電壓Ue進行比較 , 若直流電壓Uo低了參考電壓,電平檢測器輸出正信號,驅動出口繼電器,繼電器處前作狀態,反之,若直流電壓uo高于參考電壓Ue,電平檢1測器輸出負信號,本繼電器處于不動作狀態。
四、JL-41電流繼電器整定誤差
a、在整定值范圍內,整定平均誤差的絕對值不大于3%;平均誤差=(5次測量平均值-整定值)/整定值×100%。
b、在標準條件下,同一整定值上測量的5次動作值的**值和最小值應不大于4%。
c、在-10℃~50℃的溫度下,任一整定點誤差的絕對值應不大于整定值的5%。
d、在輔助電壓80~110%變化范圍內,任一整定值整定誤差的絕對值應不大于4%。
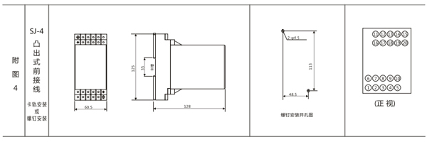
五、JL-41電流繼電器安裝尺寸


DLS-11B雙位置繼電器(以下簡稱繼電器)用于直流操作的各種保護和自動控制線路中,以實現機械閉鎖。
一、DLS-11B雙位置繼電器接線圖

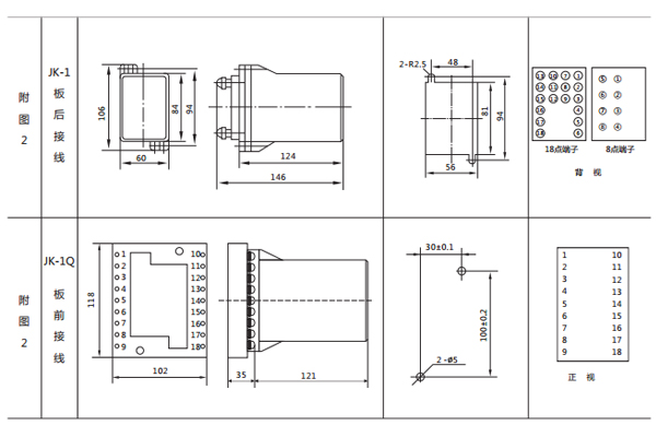
二、DLS-11B雙位置繼電器開孔尺寸

三、DLS-11B雙位置繼電器參數
1.額定電壓:跳閘線圈DC220V、110V、48V。
2.額定電流:跳閘線圈1A、2A、4A、6A;合閘線圈0.5A、1A、2A、4A。
3.動作值:動作電壓不大于70%額定電壓;動作電流不大于額定電流。
4.功率消耗:不大于12W。
5 介質強度
產品各導電電路連在一起對外露的非帶電金屬零件或外殼之間 ,以及線圈電路對觸點電路之間,應能承受2?(有效值) , 50Hz的交流試驗電壓歷時1min的試驗,而無絕緣擊穿或閃絡現象。
6.觸點性能
產品觸點應能斷開電壓不超過250V,電流不超過1A ,容量為50W的直流有感負荷電路(時間常數為5±75ms) ,或電壓不超過250V,電流不超過3A,容量為250VA的交流電路(功率因數為0.4±0.1)5000次。
上海上繼科技有限公司(專注電力保護裝置生產廠家)銷售熱線:021-57233089 QQ:1932551438
(以上內容僅供參考,上海上繼科技有限公司有最終解釋權)
更多繼電器精彩文章→JZ-S/426靜態可調延時中間繼電器型號含義及開孔尺寸
- 上一篇:電流繼電器與接地繼電器特點及性能參數
- 下一篇:電流繼電器與差動繼電器特點及性能參數





