中間繼電器與數字式頻率繼電器特點及性能參數-上海上繼科技有限公司
發表時間:2019-08-19 09:15 瀏覽次數:1164 〖返回〗
一、DZ-411中間繼電器的概述
DZ-411中間繼電器用于各種保護和自動控制裝置中,以增加保護和控制回路的接點數量和接點容量。繼電器的磁系統為拍合式,不拆除外殼可以做手動測試,能在溫熱帶使用。
二、DZ-411中間繼電器的接線圖

三、DZ-411中間繼電器的參數
●額定電壓: DC110V、48V、24V、12V。
●動作電壓:不大于額定電壓的60%。
●返回電壓:不小于額定電壓的10%。
●動作時間和返回時間:不大于60ms。
●功率消耗:不大于5W。
●觸點容量:在電壓不超過250V,電流不超過5A,時間常數為5±0.75ms的直流有感負荷電路中,產品輸出觸點的斷開容量為50W。輸出觸點在上述規定的負荷條件下,產品能可靠動作及返回5×104次。 輸出觸點長期允許接通電流為5A。
四、DZ-411中間繼電器的結構
⒈線圈裝在"U"形導磁體上,導磁體上面有一個活動的銜鐵,導磁體兩側裝有兩排觸點彈片。在非動作狀態下觸點彈片將銜鐵向上托起,使銜鐵與導磁體之間保持一定間隙。當氣隙間的電磁力矩超過反作用力矩時,銜鐵被吸向導磁體,同時銜鐵壓動觸點彈片,使常閉觸點斷開常開觸點閉合,完成繼電器工作。當電磁力矩減小到一定值時,由于觸點彈片的反作用力矩,而使觸點與銜鐵返回到初始位置,準備下次工作。
⒉本繼電器的"U"形導磁體采用雙鐵心結構,即在兩個邊柱上均可裝設線圈。對于DZY、DZL和DZJ型只裝一個線圈,而對于DZB,DZS,DZK型可根據需要在另一個鐵心上裝以保持線圈或延時用阻尼片等。從而使線圈類型大不相同的繼電器都通用一個導磁體。
3.中間繼電器原理和交流接觸器一樣,都是由固定鐵芯、動鐵芯、彈簧、動觸點、靜觸點、線圈、接線端子和外殼組成。
五、DZ-411中間繼電器的特點
⒈靜態中間繼電器采用線圈電壓較低的多個優質密封小型繼電器組合而成,防潮、防塵、不斷線,可靠性高,克服了電磁型中間繼電器導線過細易斷線的缺點。
⒉功耗小,溫升低,不需外附大功率電阻,可任意安裝及接線方便。
⒊繼電器觸點容量大,工作壽命長。
⒋繼電器動作后有發光管指示,便于現場觀察。
⒌延時只需用面板上的撥碼開關整定,延時精度高,延時范圍可在0.02-5.00S任意整定。

一、JPB-B數字式頻率繼電器的概述
JPB-B數字式頻率繼電器主要用于電網或者發電機周率變化超過允許值時,發出切機或切除部分設備, 或部分用戶的頻率敏感元件, 確保發電機組的安全。
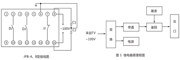
二、JPB-B數字式頻率繼電器的工作原理
1、繼電器型號分類及含義

2、工作原理
本繼電器采用數字分頻原理來確定基準頻率,用以鑒別被測頻率的數值。具有頻率穩定度高、精度高、整定方便直觀等優點。
三、JPB-B數字式頻率繼電器的技術參數
1、額定電壓100V,額定頻率50Hz。
2、頻率整定值誤差不大于±0.015Hz。
3、整定范圍: JPB-A45-49.5Hz, JPB-B50.5-55Hz,最小整定級差0.0125Hz。
4、返回系數不大于1.02 ,返回時l間不大于60ms。
5、輸入工作電壓(60-120)V。
6、延時動作時間整定范圍為80ms-99.99s,延時級差10ms。
7、防止誤動措施:設有滑差閉鎖電路整定范圍3-50Hz/S;設有低壓閉鎖電路55V以下進行閉鎖;設有中央報警信號觸點。
四、JPB-B數字式頻率繼電器的接線圖

上海上繼科技有限公司(專注電力保護裝置生產廠家)銷售熱線:021-57233089 QQ:1932551438
(以上內容僅供參考,上海上繼科技有限公司有最終解釋權)
更多繼電器精彩文章→JZ-S/2215靜態可調延時中間繼電器特點及型號含義





