時間繼電器與電流繼電器特點和性能參數-上海上繼科技有限公司
發表時間:2019-08-09 15:28 瀏覽次數:1052 〖返回〗
一、SJ23-61時間繼電器簡述
時間繼電器是電氣控制系統中一個非常重要的元器件,在許多控制系統中,需要使用時間繼電器來實現延時控制。時間繼電器是一種利用電磁原理或機械動作原理來延遲觸頭閉合或分斷的自動控制電器。其特點是,自吸引線圈得到信號起至觸頭動作中間有一段延時。時間繼電器一般用于以時間為函數的電動機起動過程控制。
時間繼電器的主要功能是作為簡單程序控制中的一種執行器件,當它接受了啟動信號后開始計時,計時結束后它的工作觸頭進行開或合的動作,從而推動后續的電路工作。一般來說,時間繼電器的延時性能在設計的范圍內是可以調節的,從而方便調整它的延時時間長短。單憑一只時間繼電器恐怕不能做到開始延時閉合,閉合一段時間后,再斷開,先實現延時閉合后延時斷開,但總體上說,通過配置一定數量的時間繼電器和中間繼電器都是可以做到的。
二、SJ23-61時間繼電器使用注意
1、要保持時間繼電器的清潔,否則誤差會增大。
2、用前檢查電源電壓與頻率是否與時間繼電器的電壓與頻率相符。
3、根據用戶要求選擇時間繼電器的控制時間的長短。
4、流產品要注意按電路圖接線,注意電源的極性。
5、盡量避免在振動明顯、陽光直射、潮濕及接觸油的場合使用。
三、SJ23-61時間繼電器技術參數
●時間繼電器符合IEC947標準及GB14048標準。
●額定控制容量:交流300VA ,直流60W (延時頭組件30W )。
●繼電器線圈電壓等級:交流380V、220V、110V、 48V、36V. 24V ,直流220V、110V、 60V、 48V、24V、 12V.
●接點**工作電流:交流380V時為0.79A ,直流220V時為0.27A (瞬動)及0.14A (延時)。
●延時重復誤差:≤9%。
●工作電壓:交流為85~110% ,釋放電壓20~70% ;直流工作電壓為80~110% ,釋放電壓為10~ 70%。
●機械壽命不低于500萬次,電壽命100萬次。
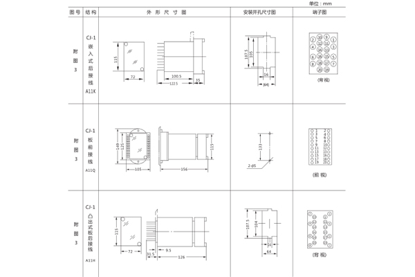
四、SJ23-61時間繼電器
外形及安裝尺寸


JL-11靜態電流繼電器(以下簡稱本繼電器)用于發電機、變壓器和輸電線的過負新口短路保護裝置中作為啟動元件。本繼電器為集成電路靜態型繼電器,精度高、功耗小、動作時間快,返回系數高、 整定直觀方便、范圍寬,提供直流輔助電源后完全可替代電磁型電流繼電器,輔助電源采用開關電源變換,交直流通用,工作范圍大,從100-300V均能可靠工作。
一、JL-11電流繼電器的參數
1、功率消耗
a、交流回路功耗:小于0.5VA(交流額定值5A時)
b、直流回路功耗:見表2

2、整定誤差
a、在整定值范圍內,整定平均誤差的絕對值不大于3% ;平均誤差=( 5次測量平均信一整定值)整定值x100%。
b、在基準條件下,同一整定值上測量的5次動作值的**信和最小值應不大于4%。
c、在一10°C~50°C的溫度下,任一整定點誤差的絕對信應不大于整定值的5%。
d、在輔助電壓80~ 110%變化范圍內, 任一整定值整定誤差的絕對值應不大于4%。
3、動作時間:1.1倍整定信的動作時間不大于30 m s ; 2信整定值的動作時間不大于20 m s。
4、返回系數: 0.90~0.95。
5、返回時間:不大于27ms。
二、JL-11電流繼電器的接線圖

三、JL-11電流繼電器的開孔尺寸

公司介紹:上海上繼科技有限公司是一家專業從事電力系統繼電保護及智能電網電力自動化產品的研發、設計、生產、銷售和服務為一體的高科技公司。擁有資深繼電保護專家團隊和國內**的檢測儀器及校驗設備。同時還引用國內外先進技術,來進行技術創新。本公司的產品廣泛用于電力、工礦、鐵路、建筑等國家重大工程輸配變電系統上,產品遠銷東南亞及中東地區。產品通過國家繼電保護及自動化設備質量監督檢驗中心檢測,獲得ISO-9001:2000國際質量體系認證。“科技創新,誠信務實”是公司的經營理念,本公司以高超的技術支持和對用戶高度負責的售后服務贏得了輸配電成套企業的信賴,且樹立了良好的信譽。
上海上繼科技有限公司(專注電力保護繼電器生產廠家)銷售熱線:021-57233089 QQ:1932551438
(以上內容僅供參考,上海上繼科技有限公司有最終解釋權}
更多繼電器精彩文章→JZY-37中間繼電器特點及命名含義





