功率繼電器-上海上繼科技有限公司
發表時間:2019-08-08 14:51 瀏覽次數:1156 〖返回〗
上海上繼科技有限公司是一家專業從事電力系統繼電保護及智能電網電力自動化產品的研發、設計、生產、銷售和服務為一體的高科技公司。擁有資深繼電保護專家團隊和國內**的檢測儀器及校驗設備。同時還引用國內外先進技術,來進行技術創新。本公司的產品廣泛用于電力、工礦、鐵路、建筑等國家重大工程輸配變電系統上,產品遠銷東南亞及中東地區。產品通過國家繼電保護及自動化設備質量監督檢驗中心檢測,獲得ISO-9001:2000國際質量體系認證?!翱萍紕撔拢\信務實”是公司的經營理念,本公司以高超的技術支持和對用戶高度負責的售后服務贏得了輸配電成套企業的信賴,且樹立了良好的信譽。

BG-12B功率繼電器(以下簡稱繼電器)應用于電力系統方向保護接線中,作為功率方向元件。BG-12B用于相間短路保護。
一、BG-12B功率繼電器的參數
·額定數據:交流額定電壓為100V;交流額定頻率為50Hz;交流額定電流為lA、5A;直流額定電壓為48V、110V、220V。
·繼電器**靈敏角: BG-11B、12B為-45°或-30°; BG-13B為+70°;在額定值下,誤差不大于±5°。
·動作值:在**靈敏角及額定電流下,繼電器的最小動作電壓不大于2V。
·動作時間:在**靈敏角和4倍動作功率(電流額定電壓為4V)時,不大于30ms。
·功率消耗:交流電壓回路不大于4VA;交流電流回路不大于1VA;直流不大于6W。
二、BG-12B功率繼電器的開孔尺寸

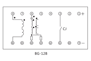
三、BG-12B功率繼電器的接線圖


LG-12功率方向繼電器 ,應用在方向保護中作為功率方向的判別元件,其中LG-11型用于相間短路保護, LG-12型用于接地短路保護 。
一、LG-12功率繼電器的參數
額定數據:
額定電流:5A或1A。
額定電壓:100V。
額定頻率:50Hz。
繼電器的靈敏角:LG-11型, -30°或-45°, LG-12型+70°;靈敏角的誤差±5°。
在靈敏角小通入額定電流時繼電器的動作電壓不大于2V。
返回系數:繼電器的返回電壓和動作電壓之比不小于0.45。
動作時間:對于LG-11型,在靈敏角下,電壓由額定突然降4倍最小動作電壓,電流同時由0升至額定電流時,動作時間不大于30mS;對于LG-12型,在靈敏角下,同時突然加入額定電流和4倍最小動作電壓時,動作時間不大于40ms。
記憶時間,對于LG-11型,當模擬保護出口處短路在靈敏角下,突然增加額定電流至10倍額定電流,電壓自100V同時突然降到0的情況下,繼電器應可靠動作,其極化繼電器動作保持時間不小于50ms。
功率消耗:電流回路不大于6VA,電壓回路不大于20VA。
繼電器可以長期耐受1.1倍的額定電壓及額定電流。
當電壓不大于220V電流不大于lA時,觸點能斷開直流有感負荷(時間常數不大于5x10-3s)20W。
繼電器電路與外殼間的絕緣電阻在溫度+ 40°C及相對濕度為85%時不小于10M0。
繼電器的絕線強度應耐受交流50Hz電壓2kV歷時1Min的耐壓試驗而無擊穿或閃絡現象。
二、LG-12功率繼電器的開孔尺寸

三、LG-12功率繼電器的原理
電壓回路的諧振調諧可以用改變繞組的匝數來達到,YB諧振繞組有6、7、8三個抽頭可供進擇,還可以加減9、10小繞組來達到諧振。
LG-11型比較回路采用環流法比較電路,工作電壓和制動電壓分別整流后經C2、C3濾波并經R5、R6、R7、R8比較后推動極化繼電器JJ動作,而LG-12型采用均壓法比較電路,工作電壓和制動電壓分別整流后在R4、R5及R6、R7上得到電壓經C1、C2濾波后比較電壓大小推動極化繼電器動作 。
繼電器的潛動調整通過調整R1及R2來進行,用R2來調節電流平衡,用R1來調節電壓平衡,經反復調整可以達到電流電壓均無潛動。
極化繼電器的觸點接有0.22ч電容及510Ω電阻的消弧回路, 以増加觸點的斷弧能力 。
上海上繼科技有限公司(專注電力保護繼電器生產廠家)銷售熱線:021-57233089 QQ:1932551438
{以上內容僅供參考,上海上繼科技有限公司有最終解釋權}
更多繼電器精彩文章——JL-B/32電流繼電器參數及開孔尺寸





