閃光繼電器與模數化結構繼電器區別和應用-上海上繼科技有限公司
發表時間:2019-07-29 16:23 瀏覽次數:946 〖返回〗
DX-1閃光繼電器用于信號回路。當工作線圈電源接通后,觸點可周期性的接通和斷開,使受控的燈光信號發出閃光。
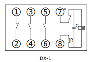
一、DX-1閃光繼電器的接線圖

二、DX-1閃光繼電器的開孔尺寸

三、DX-1閃光繼電器的參數
●額定值:DC 220V、110V、48V。
●觸點形式:2組動合、1組動斷。
●閃光頻率:每分鐘60±20次。
●動作值:不大于70%額定值。
●功率消耗:不大于3W。
●觸點容量:在電壓不超過250V,電流不超過5A,時間常數為5±0.75ms的直流有感負荷電路中,產品輸出觸點的斷開容量為 50W。輸出觸點在上述規定的負荷條件下,產品能可靠動作及返回5×104次。輸出觸點長期允許接通電流為5A。
●介質強度:產品各導電端子連在一起,對外露的非帶電金屬部分或外殼之間,能承受2000V(有效值)50Hz的交流電壓,歷時1分鐘 試驗,而無絕緣擊穿或閃絡現象。

RXMA1中間繼電器用于電力系統二次回路及工業自動化控制回路中,作為中間輔助,擴大控制回路之用。
一、RXMA1中間繼電器的參數
1動作電壓: DC.<70%額定電壓 。
2返回電壓: DC.>5%額定電壓 。
3動作時間:動合觸點,40ms,動斷觸點,30ms。
4線圈功耗:<2W
5觸點長期允許通過5A電流
當通過電流的時間<200ms,允許通過90A電流;
當通過電流的時間為1s時,允許通過50A電流。
6觸點斷開能力: AC250V時為5A(功率因數>0.4)為250VA。
DC250V時為2A(L/R=40ms)為45W。

7絕緣耐壓: 50Hz, lmin, 2kV。
8沖擊電壓: 5kV。
9能承受5-15Hz中等震級的地震波沖擊。
10額定電壓及線圈阻值。

二、RXMA1中間繼電器的開孔尺寸

三、RXMA1中間繼電器的觸點形式


公司介紹:上海上繼科技有限公司是一家專業從事電力系統繼電保護及智能電網電力自動化產品的研發、設計、生產、銷售和服務為一體的高科技公司。擁有資深繼電保護專家團隊和國內**的檢測儀器及校驗設備。同時還引用國內外先進技術,來進行技術創新。本公司的產品廣泛用于電力、工礦、鐵路、建筑等國家重大工程輸配變電系統上,產品遠銷東南亞及中東地區。產品通過國家繼電保護及自動化設備質量監督檢驗中心檢測,獲得ISO-9001:2000國際質量體系認證?!翱萍紕撔?,誠信務實”是公司的經營理念,本公司以高超的技術支持和對用戶高度負責的售后服務贏得了輸配電成套企業的信賴,且樹立了良好的信譽。
上海上繼科技有限公司(專注電力保護繼電器生產廠家)銷售熱線:021-57233089 QQ:1932551438
{以上內容僅供參考,上海上繼科技有限公司有最終解釋權}
更多繼電器精彩文章——JY-24B電壓繼電器技術數據及接線圖
- 上一篇:閃光繼電器與絕緣監視繼電器區別和應用
- 下一篇:沖擊繼電器與同步繼電器區別和應用





