信號繼電器與模數化結構繼電器區別和應用-上海上繼科技有限公司
發表時間:2019-07-26 10:47 瀏覽次數:670 〖返回〗
RXMA1中間繼電器用于電力系統二次回路及工業自動化控制回路中,作為中間輔助,擴大控制回路之用。
一、RXMA1中間繼電器的觸點形式


二、RXMA1中間繼電器的開孔尺寸

三、RXMA1中間繼電器的參數
1動作電壓: DC.<70%額定電壓 。
2返回電壓: DC.>5%額定電壓 。
3動作時間:動合觸點,40ms,動斷觸點,30ms。
4線圈功耗:<2W
5觸點長期允許通過5A電流
當通過電流的時間<200ms,允許通過90A電流;
當通過電流的時間為1s時,允許通過50A電流。
6觸點斷開能力: AC250V時為5A(功率因數>0.4)為250VA。
DC250V時為2A(L/R=40ms)為45W。

7絕緣耐壓: 50Hz, lmin, 2kV。
8沖擊電壓: 5kV。
9能承受5-15Hz中等震級的地震波沖擊。
10額定電壓及線圈阻值。


JX-11集成電路信號繼電器應用于直流操作保護線路中,作為信號指示器用。繼電器由電流或電壓動作,燈光信號,磁保持,手復歸或電復歸。可靠性好,可替代原有的DX-11、 DX-11A系列、 DX-8、 DX-8G系列, DXM-2A系列, DX-30系列等電磁型信號繼電器。
一、JX-11信號繼電器的參數
1.電壓型繼電器
a)額定直流電壓:12V, 24V, 48V. 110V, 220V;
b)輔助直流工作電壓:48V, 110V, 220V。
1.1繼電器動作值不大于70%額定值。
2.電流型繼電器
a)動作電流0.01A-2A通用;
b)輔助直流工作電壓:48V,110V,220V。
2.1繼電器動作電流不大于90%額定值,**允許電流2A。
3.動作時間
繼電器動作時間不大于15ms。
4.功率消耗
繼電器直流回路功率消耗:
220V:動作前不大于2W,動作時(信號未消失時)功率消耗不大于7.5W,動作后(保持后)功率消耗不大于4W;
110V:動作前不大于1.5W.動作時(信號未消失時)功率消耗不大于5W,動作后(保持時)功率消耗不大于2.5W;
48V:動作前不大于0.5W,動作時(信號未消失時)功率消耗不、大于3.5W,動作后(保持時)功率消耗不大于1.5W;
啟動回路功耗:對電壓型繼電器不大于2W,對電流型繼電器在額定電流下,啟動回路壓降不超過1.7V。
5.觸點斷開容量
a)直流電路;在電流不大于2A,電壓不大于250V的條件下,對外輸出觸點能斷開時間常數為5ms±0.75ms的直流有感負荷30W。
b)交流電路:在電流不大于1A,電壓不大于250V的條件下,對外輸出觸點能斷開功率因數cosφ為0.4±0.1的電路的負荷250VA。
6.工作條件
a)使用地點不允許有爆炸危險的介質,周圍介質中不含有腐蝕金屬和破壞絕緣的氣體及導電介質,不允許充滿水蒸氣和有較嚴重的霉菌存在 ;
b)使用地點不允許有較強的振動和沖擊;
c)使用地點應具有防御雨、雪、風、沙的設施;
d)使用地點不允許超過1.5mT的外磁感應強度。
7 介質強度
繼電器各導電路對外露的非帶電金屬部分及外売之間,應能承受2?(有效値) ,輸入電路對觸點之間應能承受1?(有效値),50Hz的交流試驗電壓,歷時1min試驗 ,應無絕緣擊穿及閃絡現象。
8 電氣抗干擾繼電器應符合GB7261和GB6261 ?靜態繼電器及保護裝置的電氣抗干擾試驗? 。
二、JX-11信號繼電器的接線圖

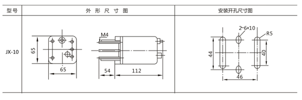
三、JX-11信號繼電器的開孔尺寸

公司介紹:上海上繼科技有限公司是一家專業從事電力系統繼電保護及智能電網電力自動化產品的研發、設計、生產、銷售和服務為一體的高科技公司。擁有資深繼電保護專家團隊和國內**的檢測儀器及校驗設備。同時還引用國內外先進技術,來進行技術創新。本公司的產品廣泛用于電力、工礦、鐵路、建筑等國家重大工程輸配變電系統上,產品遠銷東南亞及中東地區。產品通過國家繼電保護及自動化設備質量監督檢驗中心檢測,獲得ISO-9001:2000國際質量體系認證。“科技創新,誠信務實”是公司的經營理念,本公司以高超的技術支持和對用戶高度負責的售后服務贏得了輸配電成套企業的信賴,且樹立了良好的信譽。
上海上繼科技有限公司(專注電力保護繼電器生產廠家)銷售熱線:021-57233089 QQ:1932551438
{以上內容僅供參考,上海上繼科技有限公司有最終解釋權}
更多繼電器精彩文章——JY-A/4DK電壓繼電器原理及技術數據
- 上一篇:信號繼電器與絕緣監視繼電器區別和應用
- 下一篇:閃光繼電器與沖擊繼電器區別和應用





