時間繼電器廠家介紹-上海上繼科技有限公司
發表時間:2019-07-06 14:28 瀏覽次數:901 〖返回〗
上海上繼科技有限公司是一家專業從事電力系統繼電保護及智能電網電力自動化產品的研發、設計、生產、銷售和服務為一體的高科技公司。
公司依托國際大都市上海的優越環境,擁有資深繼電保護專家團隊,熟悉中國電網實際運行特點,聯合國內外**高校不斷引進國內外先進技術,積極響應市場的需求,技術不斷創新,堅持行業**地位,主要生產電力繼電器及微機綜合保護裝置,電力智能配電設備,變電站自動化監控系統。產品廣泛用于電力、工礦、鐵路、建筑等國家重大工程輸配變電系統上,產品遠銷東南亞及中東地區。
公司具備國內**的檢測儀器及校驗設備,建立了模擬運行老化系統,以精湛的技術嚴格的生產制造工藝,健全的生產管理體系,精耕細作,精益求精。產品通過國家繼電保護及自動化設備質量監督檢驗中心檢測,獲得ISO-9001:2000國際質量體系認證。
“科技創新,誠信務實”是公司的經營理念,上繼科技以售前技術支持,售后完善服務,在電力系統中樹立了良好的聲譽,深受各大設計院的認可,贏得輸配電成套企業的信賴。上繼科技本著對社會,對用戶高度的責任感,堅持走專業化道路,繼續創新超越,為我國智能電網電力自動化做出更大的貢獻!

SJ-11A/21集成電路時間繼電器采用石英晶體振蕩器和CMOS集成專用電路 ,其延時精度遠高于電磁型時間繼電器 ,為電力系統繼電保護縮短主保護和后備保護時間級差提供保證,該繼電器外形、接線方式與DS電磁型時間繼電器完全相同,是更新換代的理想產品、具有精度高、功耗小,動作時間準確,整定直觀方便等優點。
一、SJ-11A/21時間繼電器的參數
1 延時范圍和級差 延時范圍: 0.02S-9.99S、 0.1S-99.9S、1M-999M,無標注按0.1S-99.9S供貨。
2 延時整定誤差 繼電器20℃±5℃時,施加額定電壓下,繼電器延時整定誤差(包含一致性):整定值≤100S時,誤差<+0.1s;>100S時,誤差<±0.1%。
3 返回時間 用切斷電路的方法,使繼電器斷電,繼電器觸點返回至始位置的時間不大于20mS。
4 電源電壓允許變動范圍 電源電壓允許變動范圍為額定電壓低0.8~1.1倍。
5 觸點容量
繼電器輸出電路的觸點能斷開電壓不大于250V, 時間常數為5±0.75mS的直流有感負荷電路為80W ; 電壓不大于250V的交
流電路(功率因數COSΦ為0.4±0.1)為300VA。繼電器可長期接通10A。
6 環境溫度 -10℃~+50℃
7 介質強度 繼電器各導電端子連在一起對為露的非常電金屬部分或外殼之間,能承受2000V(有效值0,50Hz的交流電壓,歷時1 分鐘試驗而無絕緣擊穿或飛弧現象。
8 絕緣電阻: 繼電器各導電端子連在一起對外露的飛帶電金屬部分或外殼之間,用開路電壓500V的兆歐表測量其絕緣電阻不小于300MΩ。
9 電壽命繼電器觸點接于規定容量的電路負荷重,能可靠動作及返回,電壽命為105次。
10 機械壽命: 繼電器不接負荷能可靠動作及返回,其機械壽命為106次
11 功率消耗 :在額定電壓下,繼電器功率消耗不大于5W。
12 抗干擾性能: 繼電器的抗干擾負荷DL478-92《靜態繼電保護及安全自動裝置通用技術條件》。
二、SJ-11A/21時間繼電器的接線圖

三、SJ-11A/21時間繼電器的開孔尺寸
采用HK-1外殼,如圖所示


SS-94/2時間繼電器用于電力系統二次回路的繼電保護電路及自動控制中,作為延時控制元件之用。適用于時間測量精度要求高,配合時間級差小的場合。
一、SS-94/2時間繼電器的接線圖

二、SS-94/2時間繼電器的開孔尺寸
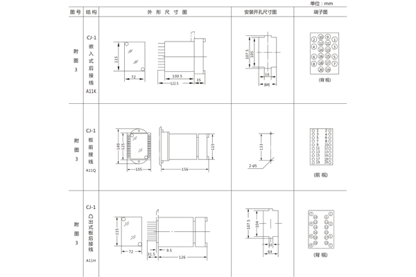
采用A11殼體,如圖所示

三、SS-94/2時間繼電器的參數
1.額定值:直流220V、110V、48V;
2.延時整定范圍
a) 20ms~9.999s(級差1ms) ;
b) 0.1s-99.99s(級差10ms) ;
c) ls~999.9s(級差0.1s) ;
d) 10s~9999s(級差1s) 。
3.動作值及返回值在基準條件下,繼電器動作電壓不大于70%額定電壓,返回電壓不小于10%額定電壓。
4.延時一致性在基準條件下,繼電器的延時一致性不大于( 0.1%整定值+3ms) 。
延時一致性= 5次測量**值-5次測量最小値
5.延時整定誤差在基準條件下,繼電器延時整定誤差的絕對值不大于( 0.1%整定值+3ms) 。
延時平均誤差= 5次測量平均值一整定值
6.返回時間:返回時間應不大于25ms。
7.觸點性能
在電壓不大于250V, 電流不大于1A的直流有感負荷(時間常數為5ms±0.75 ms)電路中 , 觸點斷開容量為30W。
8.介質強度
繼電器各導電端子連在一起對外露的非帶電金屬部分或外殼之間,應能承受2kV(有效值) 50Hz的交流電壓歷時1min試驗而無絕緣擊穿或閃絡現象。
上海上繼科技有限公司(專注電力保護繼電器生產廠家)銷售熱線:021-57233089 QQ:1932551438
{以上內容僅供參考,上海上繼科技有限公司有最終解釋權}
更多繼電器精彩文章——JC-17/1廠家繼電器原理及接線圖
- 上一篇:三相電力儀表生產廠家
- 下一篇:三相電力儀表生產廠家介紹





