DL-11電流繼電器概述
DL-11電流繼電器,為電磁式瞬動過電流繼電器,它廣泛用于電力系統二次回路繼電保護裝置線路中,作為過電流啟動元件。
DL-11電流繼電器主要技術參數據
動作時間:在1.1倍實測動作值時,動作時間不大于0.12s;在2倍實測動作值時,動作時間不大于0.04s。
觸點容量:在電壓不超過250V,電流不超過5A,時間常數為5±0.75ms的直流有感負荷電路中,產品輸出觸點的斷開容量為50W。 輸出觸點在上述規定的負荷條件下,產品能可靠動作及返回5×104次。輸出觸點長期允許接通電流為5A。
介質強度:產品各導電端子連在一起,對外露的非帶電金屬部分或外殼之間,能承受2000V(有效值)50Hz的交流電壓歷時1分鐘試驗 而無絕緣擊穿或閃絡現象。
DL-11電流繼電器內部接線及外引接線圖(背視圖)

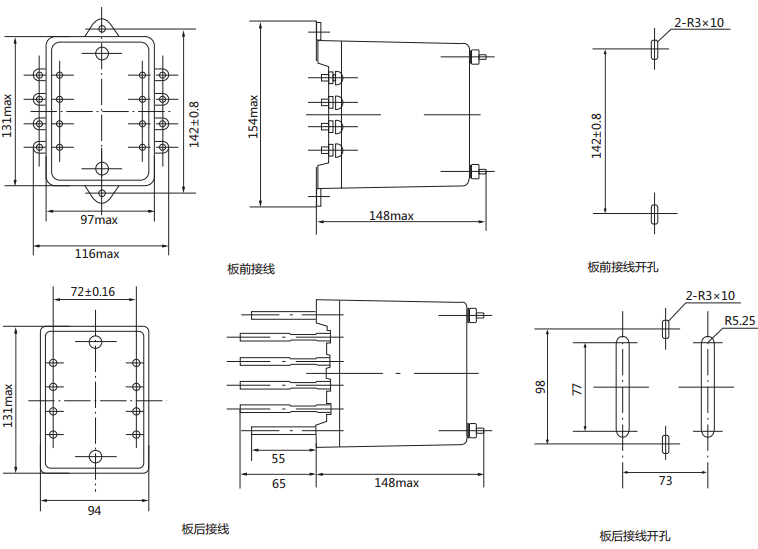
DL-11電流繼電器外形尺寸

- 上一篇:沒有了
- 下一篇:DL-21CE繼電器_DL-22CE電流繼電器_工作原理


電流繼電器系列
打印當前頁
發郵件給我們: 1932551438@qq.com
手機: 18930817953




