沖擊、同步、接地、雙位置繼電器系列
您現在的位置:首頁 >> 我們的產品 >> 繼電器 >> 沖擊、同步、接地、雙位置繼電器系列
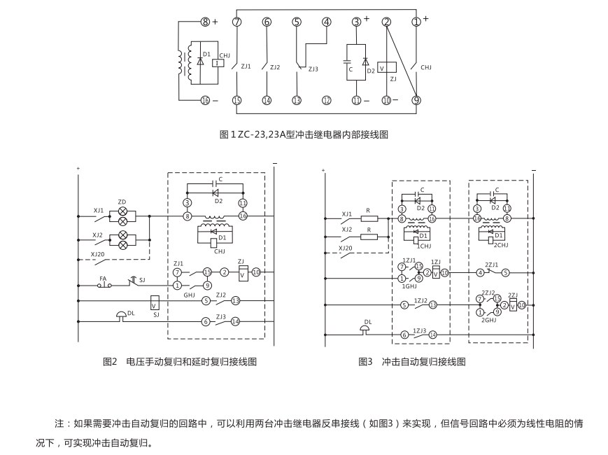
ZC-23A沖擊繼電器_ZC-23A繼電器_接線圖
沖擊、同步、接地、雙位置繼電器系列
ZC-23A沖擊繼電器應用范圍
ZC-23A沖擊繼電器(以下簡稱繼電器),廣泛用于直流操作的繼電器保護及自動控制回路中,作為集中控制信號元件。
ZC-23A沖擊繼電器主要技術參數
·額定電壓:DC220V、110V、48V、24V。
·最小沖擊動作電流: ZC-23型不大于0.16A, ZC-23A型不大于0.015A。
·**穩定電流: ZC-23型為3.2A, ZC-23A型為1.5A。
·功率消耗:在變流器BL一次繞組通**穩定電流時.其功率消耗不大于7W;出口繼電器ZJ在額定電壓下,動作狀態時功耗不大于10W。
ZC-23A型沖擊繼電器內部接線圖及外引接線圖

ZC-23A沖擊繼電器外形及開孔尺寸



打印當前頁
發郵件給我們: 1932551438@qq.com
手機: 18930817953




